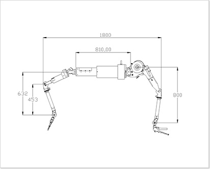
Telemanipülatör
Manipülatör
Radyofarmasötik ilaç üretim sistemlerinde kullanılan, aktif ortama dışardan müdehale etmekte kullanılan robotik kollar. Sıcak hücrelerde üretim verimliliği ve hassasiyetini artırmak için kullanılan manipulator robot kollar.
| Y Hareketi -25° / 90° | |
| X Hareketi ± 45° | |
| Z Hareketi 500 mm | |
| Twist ± 175° | |
| Azimuth ± 175° | |
| Asansör ± 78° |